전문 설계 및 기술 생산을 통해 RCS 시리즈는 피스톤로드 씰 회전 씰의 다양한 요구를 충족시켜 일반적인 시나리오에서 극단적 인 작업 조건에 이르기까지 정확한 솔루션을 제공합니다.
구조 설계 측면에서, 기본 모델은 안정성과 사용 편의성을 중심으로한다. RCS101/103은 특히 짧은 스트로크에 대한 사전 조건 O- 링 또는 보조 입술을 통한 임베딩 안정성을 향상시킨다. RCS102/104R/117R은 재료 및 그루브 호환성을 최적화하여 더 높은 압력을 지원합니다 (예 : 표준 그루브 고압 시나리오의 경우 RCS102R). 공압 시스템의 경우, RCS105/205는 윤활유 필름을 유지하고 윤활/비 바이어스 환경에 적응하기 위해 특수 립 설계를 채택합니다.
Ruichen Seals는 또한 재료 및 기능적 혁신에 중점을 둡니다. RCS118/119/124-129와 같은 모델은 폴리 테트라 플루오로 에틸렌 (PTFE) 또는 폴리 우레탄을 본체로 사용하고, 수수께끼의 균형을 잡기 위해 수중 스프링 또는 O- 링과 결합하여, 마찰, 안티 마모 및 부식성을 달성하여 화학 및 식품 충전 장비의 청정 성 및 고온 저항 요구 사항을 충족시킵니다. RCS129는 RCS101을 갖는 밀봉 시스템을 형성 할 수 있으며, 이는 걷기 기계 및 중장 유압 장비에 적합합니다. RCS126-128은 비대칭 V 피스 디자인을 통해 저압 밀봉을 최적화하고 제약 및 화학 산업에 맞게 맞춤화됩니다.
복잡한 작업 조건의 경우, RCS120/138 및 기타 이중 작용 씰은 통합 지원 링 설계를 가지고 있으며, 이는 고압 및 왜곡에 내성이 있으며, 소형 그루브에 적응합니다. RCS131은 압출 및 화학 저항에 내성이있는 O- 링 대체물이며 식품 및 제약 산업에 선호되는 선택이되었습니다. 그리고 RCS116/216은 고정 장치 설치를 통해 오래된 실린더를 빠르게 수리하여 다운 타임 비용을 줄일 수 있습니다.
RCS 시리즈는 고객이 고압, 고속, 부식성 미디어 및 특수 산업 문제에 대처하고 장비 신뢰성과 수명을 향상시키는 데 도움이됩니다.
제품 기능 및 응용 프로그램 :
피스톤로드 씰 회전 씰은 유압 실린더 및 실린더, 엔지니어링 차량, 농업 기계, 크레인 및 해양 유압 장비, 공작 기계에 적합합니다.
중공업 기계, 프레스, 화학 산업, 고속 오일 실린더 및 포지셔닝 기계 식품 산업, 제약 산업에 사용됩니다.
장점
피스톤로드 씰 회전 씰은 넓은 온도 범위, 우수한 정적 및 동적 밀봉 성능 및 동적 조건 하에서 강한 잔류 오일 회수 능력으로 홈에 안정적으로 내장됩니다. 낮은 마찰, 크리핑 없음, 내마모성, 정적 및 마찰 값이 낮으며, 좋은 방지 성능, 우수한 열전도율 및 넓은 온도 범위.
오래된 피스톤로드에 적합하며 오픈 타입을 쉽게 설치하기 쉽습니다.

RCS101
주문 크기
φd ...... 외경
φd ...... 내 직경
L ...... 그루브 너비
| 표면 마감 | r tmax (μm) | RA (μm) |
| 슬라이딩 표면 일치 고무/폴리 우레탄 씰 슬라이딩 표면 일치 PTFE 씰 | ≤2.5 ≤2 | ≤0.1-0.5 ≤0.05-0.3 |
| 그루브 바닥 그루브 쪽 | ≤6.3 ≤15 | ≤1.6 ≤3 |
| TP 프로파일 지원 길이 비율 | 50%-95% |
|
| 용인 | |
| φd | F8 |
| φd | H10 |
주문 예
모델 : RCS101
그루브 크기 : 100x115x10
재료 : RC-PU-H

씰 유형 : RCS101, RCS102, RCS103, RCS104, RCS205, RCS106, RCS107, RCS108, RCS117, RCS121
주요 응용 프로그램 : 유압 및 공압 실린더에 적합합니다
장점 : 그루브, 넓은 온도 범위, 탁월한 정적 및 동적 밀봉 성능, 강력한 잔류 오일 추출 능력에 안정적인 내장.
재료 : 폴리 우레탄, 고무
| 그루브 예제를 봉인하십시오 | 다음은 표준 그루브 치수입니다 (크기 범위 내에서 모든 크기의 먼지 씰을 생성 할 수 있습니다) | ||||||||
![]() |
![]() |
φd | φd | L | c/s | 최대 압출 갭 | |||
| 100bar | 250bar | 400bar | |||||||
| 5-24.9 | φd+8 | 6.3 | 4 | 0.50 | 0.35 | 0.25 | |||
| 25-49.9 | φd+10 | 8 | 5 | 0.50 | 0.35 | 0.25 | |||
| 50-149.9 | φd+15 | 10 | 7.5 | 0.50 | 0.35 | 0.25 | |||
| 150-229.9 | φd+20 | 14 | 10 | 0.50 | 0.35 | 0.25 | |||
| 300-499.9 | φd+25 | 17 | 12.5 | 0.50 | 0.35 | 0.25 | |||
| 500-699.9 | φd+30 | 25 | 15 | 0.50 | 0.35 | 0.25 | |||
| > 700 | φd+40 | 32 | 20 | 0.60 | 0.40 | 0.30 | |||
| > 1000 | φd+50 | 40 | 25 | 0.70 | 0.50 | 0.40 | |||

RCS109
주문 크기
φd ...... 외경
φd ...... 내 직경
L ...... 그루브 너비
|
표면 마감 |
r tmax (μm) |
RA (μm) |
|
슬라이딩 표면 일치 고무/폴리 우레탄 씰 슬라이딩 표면 일치 PTFE 씰 |
≤2.5
≤2 |
≤0.1-0.5
≤0.05-0.3 |
|
그루브 바닥 그루브 쪽 |
≤6.3 ≤15 |
≤1.6 ≤3 |
|
TP 프로파일 지원 길이 비율 |
50%-95% |
|
|
용인 |
|
|
φd |
F8 |
|
φd |
H10 |
주문 예
모델 : RCS109
그루브 크기 : 100x115.1x6.3
재료 : PTFE3+NBR

씰 유형 : RCS109
주요 응용 프로그램 : 엔지니어링 차량, 농업 기계, 크레인, 해양 유압 장비, 공작 기계.
장점 : 마찰이 적고, 크리프 없음, 내마모성이 높고, 우수한 방지 성능, 우수한 열전도율, 안정적인 임베딩 그루브, 넓은 온도 범위.
물질 : 테트라 플루오로 에틸렌, 니트릴 고무 또는 불소 고무
|
그루브 예제를 봉인하십시오 |
다음은 표준 그루브 치수입니다 (크기 범위 내에서 모든 크기의 먼지 씰을 생성 할 수 있습니다) |
||||||||
|
|
|
φd |
φd |
L |
c/s |
최대 압출 갭 |
|||
|
100bar |
200bar |
400bar |
|||||||
|
5-7.9 |
φd+4.9 |
2.2 |
2.45 |
0.30 |
0.20 |
0.15 |
|||
|
8-18.9 |
φd+7.3 |
3.2 |
3.64 |
0.40 |
0.25 |
0.15 |
|||
|
19-37.9 |
φd+10.7 |
4.2 |
5.35 |
0.40 |
0.25 |
0.20 |
|||
|
38-199.9 |
φd+15.1 |
6.3 |
7.55 |
0.50 |
0.30 |
0.20 |
|||
|
200-255.9 |
φd+20.5 |
8.1 |
10.25 |
0.60 |
0.35 |
0.25 |
|||
|
256-649.9 |
φd+24 |
8.1 |
12 |
0.60 |
0.35 |
0.25 |
|||
|
650-1000 |
φd+27.3 |
9.5 |
13.65 |
0.70 |
0.50 |
0.30 |
|||
|
> 1000 |
φd+38 |
13.8 |
19 |
1.00 |
0.70 |
0.50 |
|||

RCS110-112
주문 크기
φd ...... 외경
φd ...... 내 직경
L ...... 그루브 너비
|
표면 마감 |
r tmax (μm) |
RA (μm) |
|
슬라이딩 표면 일치 고무/폴리 우레탄 씰 슬라이딩 표면 일치 PTFE 씰 |
≤2.5
≤2 |
≤0.1-0.5
≤0.05-0.3 |
|
그루브 바닥 그루브 쪽 |
≤6.3 ≤15 |
≤1.6 ≤3 |
|
TP 프로파일 지원 길이 비율 |
50%-95% |
|
|
용인 |
|
|
φd |
F8 |
|
φd |
H10 |
주문 예
모델 : RCS110-112
그루브 크기 : 100x120x32
재료 : RC-PU-H+POM

씰 유형 : RCS110-112, RCS126-128
주요 응용 프로그램 : 중공업 기계, 프레스
장점 : 오래된 피스톤로드, 오픈 타입 쉽게 설치하기 쉬운 크리퍼
물질 : 폴리 우레탄, 폴리 옥시 메틸렌, 나일론
|
그루브 예제를 봉인하십시오 |
다음은 표준 그루브 치수입니다 (크기 범위 내에서 모든 크기의 먼지 씰을 생성 할 수 있습니다) |
|||||
|
|
|
φd |
φd |
L |
c/s |
|
|
10-39.9 |
φd+10 |
16 |
5 |
|||
|
40-74.9 |
φd+15 |
25 |
7.5 |
|||
|
75-149.9 |
φd+20 |
32 |
10 |
|||
|
150-199.9 |
φd+25 |
40 |
12.5 |
|||
|
200-299.9 |
φd+30 |
50 |
15 |
|||
|
300-599.9 |
φd+40 |
63 |
20 |
|||
|
600 |
φd+40 |
80 |
20 |
|||
|
> 1000 |
φd+50 |
100 |
25 |
|||

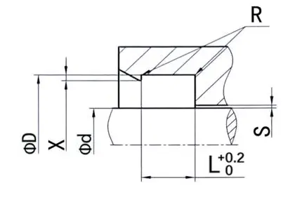
RCS119
주문 크기
φd ...... 외경
φd ...... 내 직경
L ...... 그루브 너비
|
표면 마감 |
r tmax (μm) |
RA (μm) |
|
슬라이딩 표면 일치 고무/폴리 우레탄 씰 슬라이딩 표면 일치 PTFE 씰 |
≤2.5
≤2 |
≤0.1-0.5
≤0.05-0.3 |
|
그루브 바닥 그루브 쪽 |
≤6.3 ≤15 |
≤1.6 ≤3 |
|
TP 프로파일 지원 길이 비율 |
50%-95% |
|
|
용인 |
|
|
φd |
F8 |
|
φd |
H10 |
주문 예
모델 : RCS119
그루브 크기 : 100x109.4x7.1
재료 : PTFE2+NBR

씰 유형 : RCS119
주요 응용 프로그램 : 화학 산업, 빠른 실린더 및 포지셔닝 기계. 식품 산업, 제약 산업.
장점 : 고온 및 다양한 화학 매체, 낮은 마찰 계수, 크리프 없음, 건조 마찰 특성, 정적 및 마찰 값에 대한 내성.
재료 : ptfe+잎 스프링
|
그루브 예제를 봉인하십시오 |
다음은 표준 그루브 치수입니다 (크기 범위 내에서 모든 크기의 먼지 씰을 생성 할 수 있습니다) |
|||||||||
|
|
|
φd |
φd |
L |
R |
X |
최대 압출 갭 |
|||
|
100bar |
200bar |
400bar |
||||||||
|
10-19.9 |
D+4.5 |
3.6 |
0.4 |
0.6 |
0.15 |
0.10 |
0.07 |
|||
|
20-39.9 |
D+6.2 |
4.8 |
0.6 |
0.7 |
0.20 |
0.15 |
0.08 |
|||
|
40-119.9 |
D+9.4 |
7.1 |
0.8 |
0.8 |
0.25 |
0.20 |
0.10 |
|||
|
120-1000 |
D+12.2 |
9.5 |
0.8 |
0.9 |
0.30 |
0.25 |
0.12 |
|||
|
> 1000 |
D+19.0 |
15 |
0.8 |
0.9 |
0.50 |
0.40 |
0.20 |
|||



















































































주소
중국 산둥성 칭다오시 청양구 동류팅 산업단지 루이첸로 1호