우리는 로터리 씰을 돌려야하는 모든 시나리오에 "보호 압력 저항 길이 기간"트리니티 솔루션을 제공하기 위해 최선을 다하고 있습니다. 200 개 이상의 재료 공식 및 구조 특허를 통해 고객은 실패율을 낮추고 TCO 최적화를 달성 할 수 있도록 도와줍니다. 제품 모델의 전체 일련의 제품은 매우 다양합니다. 실제 요구에 따라 선택하거나 로터리 씰을 전환 할 수 있습니다.
RCR101 로터리 골격 단일 립 씰, 단일 연기, 축 방향 오픈 그루브 설치, 널리 사용되며 주로 베어링의 보호 요소로 사용됩니다.
RCR102 로터리 골격 이중 립 씰, 방진 보조 입술, 축 방향 오픈 그루브 설치, 널리 사용되는 단일 작용, 주로 베어링의 보호 요소로 사용됩니다.
RCR103 회전 씰, 이중 작용,지지 링이있는 이중 작용, 고압 회전 밀봉 조건에서 더 나은 밀봉 효과.
RCR104, RCR105 로터리 씰, 이중 작용, 좁은 홈, 안정적인 홈 포함 및 치아 밀봉 표면.
RCR106, RCR107 V 자형 로터리 씰, 축 운동, 큰 탄성 계수, 마찰 저항, 먼지, 오염 물질, 물 스플래시, 오일 스플래시 등
RCR108 회전 씰, 단일 연기, 스프링 없음, 내부 및 외부 입술의 간섭은 다른 작업 조건에 따라 결정됩니다.
RCR109 O- 링, 정적 밀봉 또는 동적 밀봉에 주로 사용되는 탄성 고리, 유연한 온도 매체 선택. 자세한 그루브는 O- 링 샘플을 참조하십시오.
RCR110 회전식 테트라 플루오로 에틸렌 씰, 이중 작용, 좁은 그루브에 적합한 이중 작용.
RCR111 구멍에 대한 로터리 테트라 플루오로 에틸렌 씰, 이중 작용, 좁은 그루브에 적합합니다.
RCR112 회전 씰, 이중 연기, 좁은 홈, 윤활 작업 조건에 적합합니다.
RCR113 회전 씰, 이중 작용,지지 링, 안정적인 그루브 내장, 더 큰 압출 간격 및 압력을 허용하며, 주로 굴착 장비의 회전 샤프트에 사용됩니다.
RCR115 샤프트 용 회전 테트라 플루오로 에틸렌 씰, 이중 작용, 낮은 마찰, 안티 사이드 고압, 항해 온도 부식.
RCR116 구멍에 대한 로터리 테트라 플루오로 에틸렌 씰, 이중 작용, 낮은 마찰, 방지 고압, 고온 온도 부식.
RCR117, RCR121 로터리 PTFE 씰, Mander Spring, 단일 작용, 고온 차단 저항, 비교적 고속 및 고압에 적합합니다.
RCR118 END PTFE 로터리 씰, Mander Spring, Single Acting, High Legronge Corrosion Resistance, 주로 화학 산업에서 사용됩니다.
RCR119 로터리 골격 단일 립 씰, 단일 연기, 축 방향 오픈 홈 설치, 널리 사용되며 주로 베어링의 보호 요소로 사용됩니다.
RCR201, RCR202 로터리 골격 이중 립 씰, 단일 연기, 방진 보조 입술, 축 방향 개방 그루브 설치, 널리 사용되며 주로 베어링의 보호 요소로 사용됩니다.
RCR203, RCR204 로터리 골격이없는 단일 립 씰, 단일 연기, 축 방향 오픈 그루브 비품 고정 설치, 주로 야금 및 조선과 같은 중공업에서 사용됩니다.
RCR205 컷오프 로터리 스켈레톤 프리 싱글 립 씰, 단일 연기, 축 방향 오픈 그루브 비품 고정 설치, 주로 야금 및 조선과 같은 중공업에서 사용됩니다.
RCR206, RCR207 컷오프 로터리 프레임리스 단일 립 씰, 단일 연기, 축 방향 오픈 그루브 비품 고정 설치, 주로 야금 및 조선과 같은 중공업에서 사용됩니다. 저속 밀봉에 적합한 밀봉 매체는 리튬 기반 그리스입니다.
제품 기능 및 응용 프로그램 :
주요 응용 프로그램
회전 회전 씰은 회전 샤프트 엔드 씰링, 회전 샤프트 씰링, 굴삭기, 그래버, 로타리 조인트, 로타리 분포기에 적합하며,이 유형의 씰은 종종 석유 및 화학 산업에서 사용됩니다.
장점
회전 회전 씰은 적응 가능한 미디어 및 온도 범위, 우수한 밀봉 효과, 고압 저항성, 작은 단면 크기, 유압 오일 저항, 마찰력이 낮고 스틱 슬립 현상이 없습니다.

RCR101
주문 크기
φd ...... 외경
φd ...... 내 직경
L ...... 그루브 너비
|
표면 마감 |
r tmax (μm) |
RA (μm) |
|
슬라이딩 표면 일치 고무/폴리 우레탄 씰 슬라이딩 표면 일치 PTFE 씰 |
≤2.5
≤2 |
≤0.1-0.5
≤0.05-0.3 |
|
그루브 바닥 그루브 쪽 |
≤6.3 ≤15 |
≤1.6 ≤3 |
|
TP 프로파일 지원 길이 비율 |
50%-95% |
|
|
용인 |
|
|
φd |
F8 |
|
φd |
H8 |
주문 예
모델 : RCR101
그루브 크기 : 100x115x8
재료 : NBR/POM

씰 유형 : RCR101, RCR102
기본 응용 프로그램 : 회전 샤프트 엔드 밀봉에 적합합니다
장점 : 광범위한 미디어, 넓은 온도 범위 및 우수한 밀봉 효과에 적합합니다.
물질 : 폴리 우레탄, 고무/폴리 옥시 메틸렌
|
그루브 예제를 봉인하십시오 |
다음은 표준 그루브 치수입니다 (크기 범위 내에서 모든 크기의 회전 씰을 생성 할 수 있습니다) |
|||||
|
|
|
φd |
φd |
L |
c/s |
|
|
6-59.9 |
φd+12 |
7 |
6 |
|||
|
60-139.9 |
φd+15 |
8 |
7.5 |
|||
|
140-299.9 |
φd+20 |
10 |
10 |
|||
|
300-499.9 |
φd+30 |
12 |
15 |
|||
|
500-800 |
φd+40 |
20 |
20 |
|||
|
800 |
φd+50 |
22 |
25 |
|||

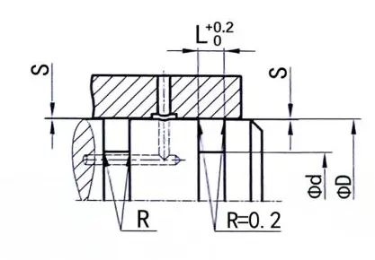
RCR115
주문 크기
φd ...... 외경
φd ...... 내 직경
L ...... 그루브 너비
|
표면 마감 |
r tmax (μm) |
RA (μm) |
|
슬라이딩 표면 일치 고무/폴리 우레탄 씰 슬라이딩 표면 일치 PTFE 씰 |
≤2.5
≤2 |
≤0.1-0.5
≤0.05-0.3 |
|
그루브 바닥 그루브 쪽 |
≤6.3 ≤15 |
≤1.6 ≤3 |
|
TP 프로파일 지원 길이 비율 |
50%-95% |
|
|
용인 |
|
|
φd |
F8 |
|
φd |
H8 |
주문 예
모델 : RCR115
그루브 크기 : 100x111x4.2
재료 : PTFE4+NBR

씰 유형 : RCR115
주요 응용 프로그램 : 로터리 샤프트 씰, 굴삭기, 그래버, 스위블 조인트에 적합합니다.
장점 : 고압에 저항 할 수 있고, 단면 크기가 작고, 유압 오일에 내성이 있으며, 마찰이 낮고 스틱 슬립 현상이 없습니다.
물질 : 테트라 플루오로 에틸렌 + 니트릴 고무 또는 플루오로 루버
|
그루브 예제를 봉인하십시오 |
다음은 표준 그루브 치수입니다 (크기 범위 내에서 모든 크기의 회전 씰을 생성 할 수 있습니다) |
||||||||
|
|
|
φd |
φd |
L |
R |
X |
최대 압출 갭 s |
||
|
100bar |
200bar |
||||||||
|
6-18.9 |
φd+4.9 |
2.2 |
0.4 |
1.78 |
0.15 |
0.10 |
|||
|
19-37.9 |
φd+7.5 |
3.2 |
0.6 |
2.62 |
0.20 |
0.15 |
|||
|
38-199.9 |
φd+11 |
4.2 |
1.0 |
3.53 |
0.25 |
0.20 |
|||
|
200-255.9 |
φd+15.5 |
6.3 |
1.3 |
5.33 |
0.30 |
0.25 |
|||
|
256-649.9 |
φd+21 |
8.1 |
1.8 |
7.00 |
0.30 |
0.25 |
|||
|
> 650 |
φd+28 |
9.5 |
2.5 |
8.40 |
0.45 |
0.30 |
|||

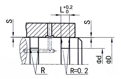
RCR116
주문 크기
φd ...... 외경
φd ...... 내 직경
L ...... 그루브 너비
|
표면 마감 |
r tmax (μm) |
RA (μm) |
|
슬라이딩 표면 일치 고무/폴리 우레탄 씰 슬라이딩 표면 일치 PTFE 씰 |
≤2.5
≤2 |
≤0.1-0.5
≤0.05-0.3 |
|
그루브 바닥 그루브 쪽 |
≤6.3 ≤15 |
≤1.6 ≤3 |
|
TP 프로파일 지원 길이 비율 |
50%-95% |
|
|
용인 |
|
|
φd |
F8 |
|
φd |
H8 |
주문 예
모델 : RCR116
그루브 크기 : 100x89x4.2
재료 : PTFE4+NBR

씰 유형 : RCR116
주요 응용 프로그램 : 로터리 샤프트 엔드 씰, 굴삭기, 그래버, 로타리 조인트, 로타리 분배기에 적합합니다.
장점 : 광범위한 매체 및 온도에 적합하며 밀봉 효과가 우수하며 작은 단면 크기, 유압 오일에 대한 강한 저항, 마찰이 낮고 스틱 슬립 현상이 없습니다.
물질 : 테트라 플루오로 에틸렌 + 니트릴 고무 또는 플루오로 루버
|
그루브 예제를 봉인하십시오 |
다음은 표준 그루브 치수입니다 (크기 범위 내에서 모든 크기의 회전 씰을 생성 할 수 있습니다) |
||||||||
|
|
|
φd |
φd |
L |
R |
O- 링 |
최대 압출 갭 s |
||
|
100bar |
200bar |
||||||||
|
8-39.9 |
φd-4.9 |
2.2 |
0.4 |
1.78 |
0.15 |
0.10 |
|||
|
40-79.9 |
φd-7.5 |
3.2 |
0.6 |
2.62 |
0.20 |
0.15 |
|||
|
80-132.9 |
φd-11.0 |
4.2 |
1.0 |
3.53 |
0.25 |
0.20 |
|||
|
133-329.9 |
φd-15.5 |
6.3 |
1.3 |
5.33 |
0.30 |
0.25 |
|||
|
330-669.9 |
φd-21.0 |
8.1 |
1.8 |
7.00 |
0.30 |
0.25 |
|||
|
> 670 |
φd-28.0 |
9.5 |
2.5 |
8.40 |
0.45 |
0.30 |
|||

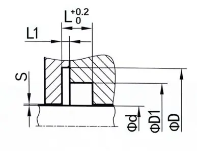
RCR117
주문 크기
φd ...... 외경
φd1 ...... 외경
φd ...... 내 직경
L ...... 그루브 너비
L1 ...... 그루브 너비
|
표면 마감 |
r tmax (μm) |
RA (μm) |
|
슬라이딩 표면 일치 고무/폴리 우레탄 씰 슬라이딩 표면 일치 PTFE 씰 |
≤2.5
≤2 |
≤0.1-0.5
≤0.05-0.3 |
|
그루브 바닥 그루브 쪽 |
≤6.3 ≤15 |
≤1.6 ≤3 |
|
TP 프로파일 지원 길이 비율 |
50%-95% |
|
|
용인 |
|
|
φd |
F8 |
|
φd |
H8 |
주문 예
모델 : RCR117
그루브 크기 : 100x117.5x110.5x7.1x1.8
재료 : ptfe4+v

씰 유형 : RCR117
주요 응용 프로그램 : 회전 샤프트 엔드 밀봉에 적합한이 유형의 씰은 종종 석유 및 화학 산업에서 사용됩니다.
장점 : 마찰, 부식성, 고온 저항, 고속에 적합
재료 : PTFE, 스테인리스 스틸 스프링
|
그루브 예제를 봉인하십시오 |
다음은 표준 그루브 치수입니다 (크기 범위 내에서 모든 크기의 회전 씰을 생성 할 수 있습니다) |
|||||||||
|
|
|
φd |
φd |
FD1 |
L |
L1 |
최대 압출 갭 s |
|||
|
20bar |
100bar |
200bar |
||||||||
|
5-19.9 |
φd+9 |
φd+5 |
3.6 |
0.85 |
0.25 |
0.15 |
0.10 |
|||
|
20-39.9 |
φd+12.5 |
φd+7 |
4.8 |
1.35 |
0.35 |
0.20 |
0.15 |
|||
|
40-399.9 |
φd+17.5 |
φd+10.5 |
7.1 |
1.8 |
0.50 |
0.25 |
0.20 |
|||
|
≥400 |
φd+22 |
φd+14 |
9.5 |
2.8 |
0.60 |
0.30 |
0.25 |
|||



















































주소
중국 산둥성 칭다오시 청양구 동류팅 산업단지 루이첸로 1호